Products
RT- DTJ3A
Back to previous page
RT- DTJ3A
RT-DTJ3A
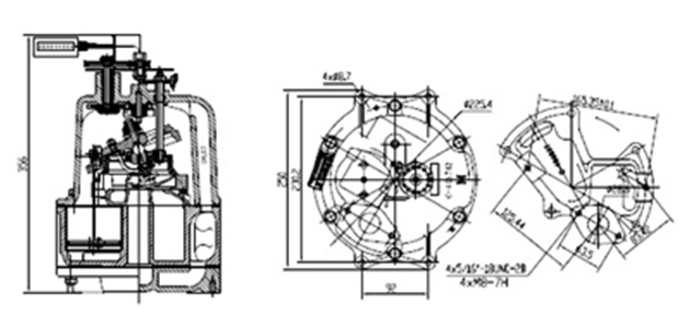
RT- DTJ3A flowmeter adopts advanced technology of U.S. Bennett company, which can be widely used for different fuel dispensers. With advantage of high flow, long working life, high accuracy, firm structure, easy installation, etc., it can be the best choice of fuel dispenser component.
Technical performance
| Discharge rate of each revolution | 0.5250 L |
| Flow range | 5~100L/min |
| Working pressure | 0.12MPa~0.35MPa |
| Accuracy | ±0.2%(5L/min~100L/min) |
| Repeat error | ≤0.1% |
| Working life | ≥10000000L |
RT-DTJ3A
Referential image
