Products
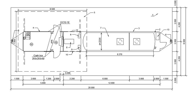
Fuel Skid
Back to previous pageFuel Skid
Referential image
Fuel Skid
Referential image
Technical performances:
- FUEL TANK
- Fuel dispenser unit
- Generator( Option)
- With canopy
- Office and relative device
- Installed on a skid with all the carbinet
- Loading Pump with motor
- Tank gauging system(Option)
- Leakage detecting system
- Air conditioner( Option)
- Station Automation system( Available with IC card, RFID card etc)
- Turn-key service available
